![]() |
13534211958 |
![]() |
郵箱:chenyong@xmt2011.com |
![]() |
3328087560 |
![]() |
深圳龍崗區寶龍街道南約社區寶龍高科大道56號萬達科技園 |
FFC軟排線連接座結構分析
- 作者: 阿勇
- 來源: 鑫美特ffc排線
- 日期 : 2020-08-29
FFC連接器結構及使用
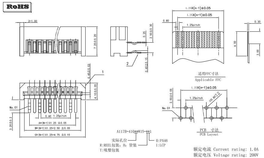
FFC連接器用于連接印制電路板(PCB)和柔性印制電路板(FPC),使之實現機械上和電氣上的連接。其特點是一端與PCB焊接相連接(多采用SMT焊接),另一端與FFC排線對插,且FPC連接器上設計有卡鎖裝置使FFC排線和ffc連接器鎖緊,保持一定的接觸可靠性。故連接器的塑膠體和端子以及卡鎖零件之間有嚴格的配合要求。如下圖所示,是ffc連接器產品結構示意圖:
為了滿足在SMT制程的要求,整個產品的端子焊接區都嚴格要求有良好的平整度和共面度,通常業界的規范為共面度0.10max.,否則會導致與PCB焊接不良而影響產品的使用。
1-1、FFC排線座塑膠體
塑膠體內部是等間距的片狀隔欄結構,使端子裝配后保持小間距的排列和提供一定的保持力。根據產品的使用要求,塑膠體要有足夠的強度和韌性,且在SMT焊接前后都不能有翹曲變形。下文將具體介紹塑膠體的設計及原料選擇。
1-2、FFC排線座端子
端子是FPC/FFC連接器的接觸部件,為了達到連接器高密度的排列和更穩定的接觸性能,FPC/FFC連接器端子采用窄片式的接觸方式,材質選用導電性能和機械強度較好的磷青銅。
通常,端子結構的設計會有兩種方式,一種是沖壓平面下料端子(簡稱:下料端子),另一種是沖壓后折彎成形端子(簡稱:成形端子)。由于窄片型的母端子需要有足夠的彈性和相對復雜的形狀,如果采用沖壓成形的方式,會給沖壓加工造成困難,且成形尺寸和精度不易控制。所以通常母端子都采用成形方式。
因為FPC/FFC連接器的應用特點是和直式片狀的FFC/FFC(柔性印制電路板/扁平電纜)相配合插接,故其端子分類都是母型端子。故通常也采用下料方式。如下圖所示,FPC/FFC連接器端子,其一端與PCB焊接,另一端與FPC對插。
1-3、FFC排線座卡鎖
卡鎖零件與塑膠體相配合,當FPC/FFC插入后,利用卡鎖零件來鎖緊FPC/FFC,使之保持一定的接觸力。故要求零件有足夠好的剛性,通常采用PPS原料生產。
1-4、FFC排線座焊接片
焊接片用來加強連接器與PCB之間的連接牢固性,而且可以避免因端子上承受的應力過大而損壞端子與PCB的焊接。裝配后焊接片要求與所有端子的共面度保持一致。 在Pin數較少的FPC連接器中,焊接片并非必選的零件。
FFC連接器用于連接印制電路板(PCB)和柔性印制電路板(FPC),使之實現機械上和電氣上的連接。其特點是一端與PCB焊接相連接(多采用SMT焊接),另一端與FFC排線對插,且FPC連接器上設計有卡鎖裝置使FFC排線和ffc連接器鎖緊,保持一定的接觸可靠性。故連接器的塑膠體和端子以及卡鎖零件之間有嚴格的配合要求。如下圖所示,是ffc連接器產品結構示意圖:

為了滿足在SMT制程的要求,整個產品的端子焊接區都嚴格要求有良好的平整度和共面度,通常業界的規范為共面度0.10max.,否則會導致與PCB焊接不良而影響產品的使用。
1-1、FFC排線座塑膠體
塑膠體內部是等間距的片狀隔欄結構,使端子裝配后保持小間距的排列和提供一定的保持力。根據產品的使用要求,塑膠體要有足夠的強度和韌性,且在SMT焊接前后都不能有翹曲變形。下文將具體介紹塑膠體的設計及原料選擇。
1-2、FFC排線座端子
端子是FPC/FFC連接器的接觸部件,為了達到連接器高密度的排列和更穩定的接觸性能,FPC/FFC連接器端子采用窄片式的接觸方式,材質選用導電性能和機械強度較好的磷青銅。
通常,端子結構的設計會有兩種方式,一種是沖壓平面下料端子(簡稱:下料端子),另一種是沖壓后折彎成形端子(簡稱:成形端子)。由于窄片型的母端子需要有足夠的彈性和相對復雜的形狀,如果采用沖壓成形的方式,會給沖壓加工造成困難,且成形尺寸和精度不易控制。所以通常母端子都采用成形方式。
因為FPC/FFC連接器的應用特點是和直式片狀的FFC/FFC(柔性印制電路板/扁平電纜)相配合插接,故其端子分類都是母型端子。故通常也采用下料方式。如下圖所示,FPC/FFC連接器端子,其一端與PCB焊接,另一端與FPC對插。
1-3、FFC排線座卡鎖
卡鎖零件與塑膠體相配合,當FPC/FFC插入后,利用卡鎖零件來鎖緊FPC/FFC,使之保持一定的接觸力。故要求零件有足夠好的剛性,通常采用PPS原料生產。
1-4、FFC排線座焊接片
焊接片用來加強連接器與PCB之間的連接牢固性,而且可以避免因端子上承受的應力過大而損壞端子與PCB的焊接。裝配后焊接片要求與所有端子的共面度保持一致。 在Pin數較少的FPC連接器中,焊接片并非必選的零件。
上一篇:
怎么判定FFC軟排線鍍金后效果是合格的?
下一篇:
FFC柔性排線生產機器種類分析總結







